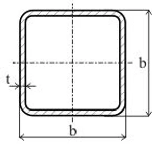
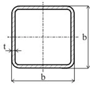
Uzavřený profil 20 x 20 x 2 x 3000 mm, černý S235, hladký
Kód produktu: I KJ20x20x2-3
Skladem - připraveno k odeslání
U vás může být již 25.02.2026
KS
Cena za jednotku bez DPH:
86,13 Kč
Cena s DPH
104,22 Kč
Volejte v pracovní dny od 8 do 16.30 hod nebo pište na
objednavky@kovian.cz
Odborné poradenství
+420 234 102 286
Položky setu
| Kód | Název | Počet | Cena bez DPH | Cena s DPH |
|---|---|---|---|---|
| I KJ20x20x2 | uzavretý profil 20x20x2mm, čierny S235, hladký L=6000mm, cena za 1 bm | 3 | 32,98 Kč | 39,91 Kč |
Celková cena produktů:
98,94 Kčbez DPH
119,73 Kčs DPH
Cena setu:
86,13 Kčbez DPH
104,22 Kčs DPH
Ušetříte:
12,81 Kčbez DPH
15,51 Kčs DPH
Technické parametry
| Hmotnost | 3.27 kg |
|---|---|
| Tloušťka stěny [mm] | 2 |
| Tolerance | +/- 5mm |
| Výška [mm] | 20 |
| Délka [mm] | 3000 |
| Šířka [mm] | 20 |
| Záruka | 24 měsíců |
Odesíláme do 48 hodin
Objednávky odesíláme do 48 hodin
8 000 m2
8 000 m2 vlastních skladových prostor
50 odborníků
50 odborníků, kteří jsou připravení vám poradit
Výhodné nabídky
Slevy pro kováře a železářství