Kotvící deska k EB1-ZPK01, materiál: AL
Kód produktu: Al-KP01
Při nákupu v této kategorii nad
13 350 Kčbez DPH
dárek ZDARMA!KS
Cena za jednotku bez DPH:
119,12 Kč
Cena s DPH
144,13 Kč
Volejte v pracovní dny od 8 do 16.30 hod nebo pište na
objednavky@kovian.cz
Odborné poradenství
+420 234 102 286
Popis produktu
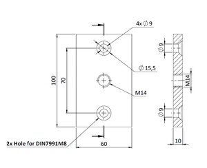
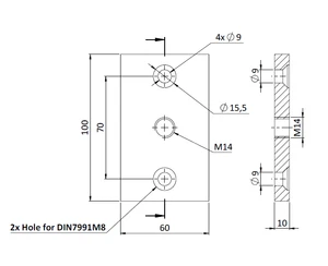
Kotviaca doska pre EB1-ZKP01, rozmery 100x60x10, 2x15,5mm otvory + 1xM14 závit
Technické parametry
| Hmotnost | 0.156 kg |
|---|---|
| Závit | M14 |
| Počet děr | 2 |
| Délka [mm] | 100 |
| Výška [mm] | 10 |
Odesíláme do 48 hodin
Objednávky odesíláme do 48 hodin
8 000 m2
8 000 m2 vlastních skladových prostor
50 odborníků
50 odborníků, kteří jsou připravení vám poradit
Výhodné nabídky
Slevy pro kováře a železářství
